电路设计基础-基本元件

电容元件

电容具有“通交流,隔直流”的特性,因此在电路中所起的主要作用是储能滤波

电容的伏安关系\(u=\frac{1}{C}\int{idt}\),电容的阻抗\(|Z|=\frac{1}{2\pi{f}C}\).

由此可见,频率越高阻抗越低,电容能通高频信号,阻低频信号。

按照封装方式的不同,电容可以分为贴片电容插件电容两类。

在贴片电容中,根据电气特性的不同,可分为陶瓷电容(MLCC)铝电解电容钽电容等。

  • 陶瓷电容:高频段滤波特性良好容值普遍低无极性

  • 铝电解电容和钽电容:中低频段滤波效果好容值较高区分正负极性

在滤波电路的设计中,往往将多个类型的电容器进行并联,以达到”1+1>2”的效果。

电感元件

电感是能够把电能转化为磁能并存储的元件,具有”通直流,隔交流“的特性,在电路中所起的主要作用是滤波扼流谐振储能

电感的伏安关系\(u=L\int{idt}\),电感的阻抗\(|Z|=2{\pi}fL\).

二极管

运算放大器

运算放大器是一种用集成电路技术制作的多端器件,常用来完成加法、减法、积分、微分等运算,简称运放。如今的运放有多种型号,其内部结构也各不相同,从电路分析的角度出发,我们主要研究该器件的外部特性。

运放的符号及其输入输出特性曲线如下图所示。图中(a)标注的\(+U\)\(-U\)分别接入直流电源的正负极,\(u_{+}\)\(u_{-}\)为输入电压,\(u_o\)为输出电压。其中\(u_+\)称为同相输入端\(u_-\)称为反相输入端,注意同向和反相的称呼仅用于区分两种性质的输入端,不代表电压的参考极性。

运放的符号及其输入-输出特性曲线

运放的输入-输出特性如图(c)所示。如果运放工作于图中的线性区,其斜率\(A=E_s/\epsilon\),称为运放的开环增益,此时运放的输出

\[\begin{equation} u_o=Au_i=A(u_+-u_-) \end{equation}\]

运放可以用下图的电压控制电压源来模拟,\(R_i\)\(R_o\)分别为运放的输入电阻和输出电阻。实际的运放,一般输入电阻\(R_i\)和开环增益\(A\)都很大,输入电阻可达\(10^{6}\sim10^{13}\Omega\),开环增益可达\(10^5\sim10^8\),而输出电阻\(R_o\)很小,一般为\(10\sim100\Omega\),可见线性区的范围是非常小的。当运放受到干扰时,\(u_i\)很容易超出线性区范围而使运放进入饱和区,因此常采用负反馈的方式使运放稳定地工作在线性区。

用受控电源表示的运放模型
  • 负反馈:将一部分输出引到运放的反相输入端
  • 正反馈:将一部分输出引到运放的同相输入端

在电路分析中常用理想运放的模型,即具有下列参数的运放:\(R_i \rightarrow \infty, R_o = 0, A \rightarrow \infty\)

根据上式可得出理想运放的两个重要特性,即

  1. 虚短:由于\(A \rightarrow \infty\)而输出电压\(u_o\)为有限值,所以\(u_i=u_o/A=0\),这意味着\(u_+=u_-\),即反相输入端与同相输入端的对地电压相等,此时两个输入端之间可以看作短路。而在同相输入端接地的情况下,反相输入端与地同电位(简称为虚地
  2. 虚断:由于\(R_i\rightarrow\infty\),所以输入电流等于零。此时输入端可看作断路,简称虚断。

【例题1】下图所示为反相放大器,试求其输出电压\(u_o\)与输入电压\(u_s\)之间的关系。

反相放大器例题

【解答】由“虚断”概念可知,\(i_1=i_2\);由“虚地”概念可知,\(u_i=0\). 因此有\[\frac{u_s}{R_s}=\frac{0-u_o}{R_f}\]

\[\frac{u_o}{u_s}=-\frac{R_f}{R_s}\]

【评注】反相放大器具有使输入电压和输出电压成比例的功能,且两者之比仅与\(R_f/R_s\)有关,而与开环增益无关。当\(R_s=R_f\)时,\(u_o=-u_s\),即输出电压与输入电压大小相等方向相反,此时的比例器称为反相器。

【例题2】下图所示为同相放大器,试求运放吸收的功率。

同相放大器例题

【解答】对运放各端口的电压、电流取一致参考方向,运放吸收的功率为\[p=u_1i_1+u_2i_2\]

由理想运放的“虚短”“虚断”概念可知,\(i_1=0\)\(u_1=0\),并且\[\frac{u_s}{R_1}=\frac{u_2}{R_1+R_f}\]

因此运放的输出电压为\[u_2=(1+\frac{R_f}{R_1})u_s\]

运放的输出端电流为\[i_2=\frac{u_s-u_2}{R_f}=-\frac{1}{R_1}u_s\]

于是运放吸收的功率为\[p=u_2i_2=(1+\frac{R_f}{R_1})u_s\times(-\frac{1}{R_1}u_s)=-\frac{R_1+R_f}{R_1^2}u_s^2\]

式中的负号表明运放向外输出功率。可见,运放是一种有源元件

【例题3】下图所示为电压跟随器,试求其输出电压\(u_o\)与输入电压\(u_1\)之间的关系。

电压跟随器例题

【解答】由“虚短”的概念,可得\[u_1=u_i=u_o\]

即输出电压与输入电压完全相同。

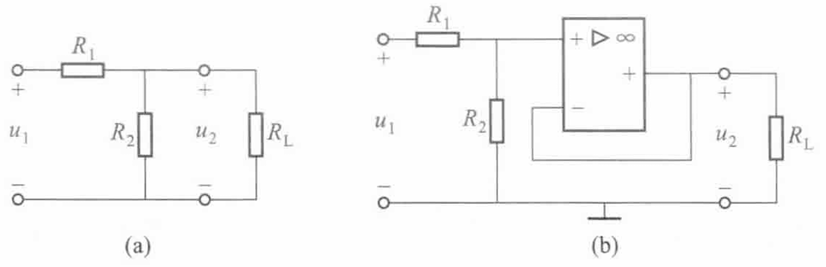
【评注】由于运放的输入电流为零,电压跟随器接入两电路之间,可起隔离作用。下图(a)所示为由电阻\(R_1\)和电阻\(R_2\)构成的分压电路,如果将负载\(R_L\)接到此分压器,则\(R_L\)的接入形成与\(R_2\)的并联,进而引起\(u_2\)的改变。但是,若通过电压跟随器将负载\(R_L\)接入电路,如下图(b)所示,则\(R_L\)的接入不会改变分压电路的特性,即不会影响\(u_2\)的大小。

电压跟随器的隔离作用

* 运算放大器部分内容,摘自陈洪亮、张峰等著《电路基础(第2版)》的第1.4.5章节